
• 검토일 : 2004.02.20~02.24.
• (주) 유신코퍼레이션 기술자문단 김형태
1. 검토목적
고속국도 제1호선 경주-동대구간 제1공구를 시행함에 있어 기확장 교량인 매여천교(STEEL BOX GR.) 구간에 방음벽(서울방향 H=3.0m, 부산방향 H=4.5m)을 추가 설치할 경우에 대한 적정 시공 방안을 검토하기 위함.
2. 기존교량 현황 및 설계내용 분석
1) 기존교량 현황
본 교량은 8차로(B=38.55m)로 기확장된 구간(1992년 준공)으로 상태가 매우 양호하므로 금회 확장공사시 활용토록 계획됨.(일반보고서, p153, p725)
| 구 분 | 교량형식 | 연 장 | 폭 원 | 사 각 | 설계하중 | 준공연도 | 비 고 |
| 교량형식 | STEEL BOX GR.교 | 3@50.0 =150.0m |
38.55m | 116° | DB-24 | 1992.12 | 8차로 기확장 |
2) 기존교량 횡단면도

3) 현 설계의 방음벽 시공방안 분석
설계 당시 교량구간 방음벽 설치에 따른 기존교량 안전성 검토는 실시되었으나, 방음벽 기초시공방안에 대한 상세 설계는 구체적으로 제시되어 있지 않아 적용 개념이 모호한 측면 있다.
가. 설계현황 (수량산출서)
․ 기존 방호벽 철거(구조물 깨기)
․ 교량용 방음벽 설치- 상행(H=3.0m), 하행(H=4.5m)
나. 방음벽 설치에 따른 기존교량 안전성 검토 내용 : 일반보고서 (p.646~670)
“ 방음벽 설치에 따른 안전성 검토결과 (DECK SLAB 및 STEEL BOX GERDER)는 별 영향이 없는 것으로 검토되어 기존 방호벽(WATER JET공법)을 철거후 방음벽을 설치하는 것으로 계획하였다”
다. 시공순서
① 안전시설 설치
② 방호벽 철거(WATER JET) : 콘크리트만 철거
③ 철근가공조립 및 거푸집설치
④ 양생후 방음벽 설치
⑤ 안전시설 철거 및 교통소통

라. 현 설계의 문제점
․ 현설계 개념은 기존 교량 방호벽 철거후 방음벽기초를 전면 신설하는 것으로 계획된 것으로 추정되나, 이 경우 슬래브(캔틸레버) 일부 절단 및 철근노출이 필요할 뿐만 아니라 슬래브 절단부 추가시공이 소요됨에도 불구하고 설계에 누락되어 있다.
․한편, 기존 방호벽에 배근된 철근을 노출 후 유용 사용하는 개념으로 추론할 경우 방음벽기초 폭원이 상이할 뿐만 아니라, 유용 사용 철근에 대한 구조 검토가 되어 있지 않다.
3. 본 교량구간 방음벽 설치기준 개선
3.1 설계기준 [고속도로 방음벽 설치기준 개선검토(한국도로공사 설계처) 내용정리]
가. 방음벽 설계풍하중 조정[설계구 10202-30086호(2002.3.7)관련]
환경부 고시 제1998-150호(‘99.1.6)에서 제시한 도로교 설계기준의 지역별 기본풍속을 참고로 방음벽 설계 풍속기준을 새로 수립하고 이에 따라 방음벽 지주 및 기초의 표준 설계풍하중을 아래와 같이 조정함.(원 설계는 설계풍하중을 300 kg/㎡으로 적용되었음)
| 당 초(kg/㎡) | 변 경(kg/㎡) | 비고 | ||||||
| 토공부 | 교량부 | 지 역 | 지명 | 토 공 부 | 교량부 | 사업소 관내 적용 구간 |
||
| 방음판의 높이별 구분 | ||||||||
| H≤3.5m | H≤4.0~8.0m | H>8.0m | ||||||
| 150 | 300 | 내 륙 | 서울,대구,대전,춘천, 청주,수원,추풍령, 전주,익산,진주,광주 |
70 | 90 | 100 | 110 | 본 교량 |
| 서 해 안 | 서산, 인천 | 90 | 120 | 130 | 150 | |||
| 서남해안 남 해 안 동남해안 |
군산,여수,충무, 부산,포항,울산 |
120 | 150 | 150 | 200 | |||
| 동 해 안 제주지역 특수지역 |
속초,강릉,제주, 서귀포,목포 |
150 | 150 | 150 | 250 | |||
나. 교량부 방음벽 지주
| 방음판 높 이 (m) |
당 초 (지주간격 2.0m) |
변 경 | |||
| 풍하중별 지주규격 (지주간격 4.0m~2.0m) | |||||
| 110 kg/㎡ | 150 kg/㎡ | 200 kg/㎡ | 250 kg/㎡ | ||
| 0.5~2.0 | 125×125×6.5×9 | 125×125×6.5×9 | 125×125×6.5×9 | 125×125×6.5×9 | 125×125×6.5×9 |
| 2.1~2.5 | 〃 | 〃 | 〃 | 〃 | 200×150×6×9 |
| 2.6~3.0 | 〃 | 〃 | 〃 | 200×150×6×9 | 〃 |
| 3.1~3.5 | 200×150×6×9 | 125×125×6.5×9 | 200×150×6×9 | 〃 | 200×200×8×12 |
| 3.6~4.0 | 〃 | 200×150×6×9 | 〃 | 200×200×8×12 | 〃 |
| 4.1~4.5 | 200×200×8×12 | 〃 | 200×200×8×12 | 〃 | 200×150×6×9 |
| 4.6~5.0 | 〃 | 〃 | 〃 | 200×150×6×9 | 200×200×8×12 |
※ 지주간격 4.0m기준이며, 풍하중 200kg/㎡의 5.0m와 250kg/㎡의 4.5 및 5.0m는 지주간격 2.0m임.
3.2 본 구간 적용
| 구 분 | 방음벽 높이 (기초 포함) |
형 식 | 설계풍하중 (kg/㎡) |
지주규격 | 지주간격 | 비 고 |
| 상행선(서울방향) | H=3.0m | 흡음형 | 110 | 125×125×6.5×9 | 4.0m | |
| 하행선(부산방향) | H=4.5m | 흡음형 | 110 | 200×150×6×9 | 4.0m |
4. 본 교량 방음벽기초 시공방안 검토
4.1 검토 비교안

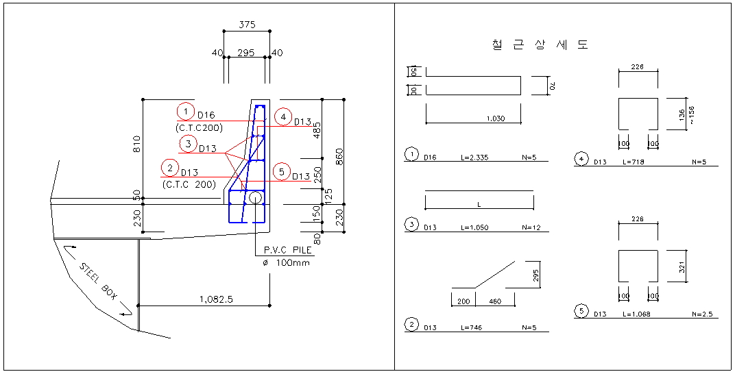
4.2 기존교량 방호벽 철근의 유용사용 가능 여부 검토
1) 기존교량 방호벽 배근 상태
: 매여천교 준공 도면(한국도로공사, 1992)을 획득한 것임.

2) 기존 방호벽 철근 유용시 안전성 검토
: 작용 풍하중 : w = 110 kg/㎡ [ 내륙지방(대구), 교량부]

☞ 방음벽 설치에 따른 캔틸레버 바닥판 및 강상형에 대한 구조검토는 원 설계시 기 검토
되었으므로 본 검토서에서는 생략하며, 기존 방호벽 철근의 유용 사용에 대한 검토만 실시함.
(4) 기존 방호벽 철근량 검토
: 도면대로 시공된 것으로 전제하여 검토함.
fck = 240.0kgf/㎠ fy = 3000.0kgf/㎠
β1 = 0.850 øb = 0.85 øs = 0.80
pb = (0.85 ×β1 ×fck / fy) * [6000/(6000+fy)] = 0.03853
pmax = 0.75 ×pb = 0.02890
pmin = max(0.80√(fck)/fy,14/fy) = 0.00467
계수 모멘트 Mu = 3.905 tf.m 계수 전단력 Vu = 0.000 tonf
단면의 두께 H = 37.500 cm 단 면 폭 B = 100.000 cm
유 효 깊 이 D = 33.500 cm 피 복 두 께 Dc = 4.000 cm
▷ 휨모멘트 검토
소요등가응력깊이 a = 0.679 cm로 가정
As = Mu /{øb․fy․(D-a/2)} = 4.618 ㎠
a = (As․fy) / (0.85․fck․B) = 0.679 cm ∴ 가정과 비슷함 O.K
Preq = [Mu /{øb․fy․(D-a/2)}] / (B․D) = 0.00138 ⇒ 4/3 Preq = 0.00184
∴ 필요철근량 req.As = Preq × (B․D) = 4.618 ㎠
Used As = D13 @ 20.00 cm (Dc = 4.00 cm)
= 6.335 ㎠ ∴ P = As/(B․D) = 0.00189
4/3 Preq ≤ P ≤ Pmin ....... ∴ O.K
a = (As․fy) / (0.85․fck․B) = 0.932 cm
øMn = øb․fy․As․( D - a/2 ) = 533642.600 kgf․cm
= 5.336 tf․m ≥ Mu = 3.905 tf․m ..... ∴ O.K
∴ O.K!!! (안전율 1.36배)
3) 검토의견
기존 방호벽 철근을 유용하여 방음벽 기초로 전환할 경우에 대한 구조검토 결과, 기존 배근
된 철근량은 풍하중 작용시에도 안전성을 확보할 것으로 사료된다. 단, 이는 기존 방호벽의 상태
가 설계조건과 동일하게 시공된 것을 전제한 것이므로 시공시 노후화 정도의 확인이 필요함.
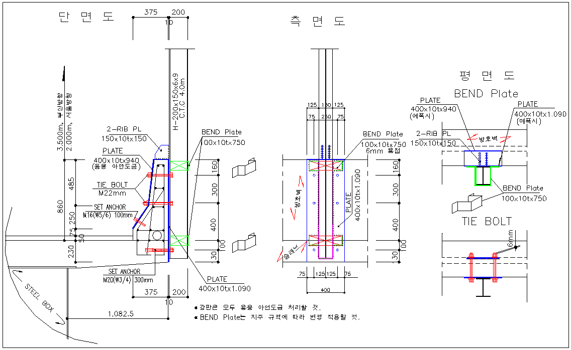
4.3 기존 방호벽 측면 매달기 방안의 적용성 여부 검토 : (제3안에 대하여)
1) 개념도

2) 방음벽 기초 연결부 구조 검토

◈ TIE-ANCHOR BLOT 검토
․ 사용 규격 : M22 (SS400) : 2EA로 검토
․ ANCHOR BLOT 단면적 : A = π x 2.2²/4 = 3.80㎠
․ 허용인장 강도 : fa = 1,400 x 1.5 x 0.9 = 1,890 kgf/㎠
․ ANCHOR BLOT 1본당 작용 인장력(T1) = 1,304kgf/m x 4.0m(C.T.C) x 1/2(본당) = 2.608 kgf
․ ft = T1 / A = 2,608 / 3.80 = 686.3 kgf/㎠ < 허용력 fa = 1,890kgf/㎠ ∴ O.K
◈ SET ANCHOR 검토
․ 사용 규격 : M20 x 300 (SS400) : 2EA로 검토
․ ANCHOR BLOT 단면적 : A = π x 2.0²/4 = 3.14 ㎠
․ 허용인장 강도 : fa = 1,400 x 1.5 x 0.9 = 1,890 kgf/㎠
․ 작용모멘트(M) : 0.11 x 3.50²x 1/2 x 4.0 = 2.695 tonf․m
P x 0.80 = 2.695 tonf․m, ∴ P = 3.368 tonf
․ ANCHOR BLOT 1본당 작용 인장력 = 3.368 x 1/2 = 1.684 tonf
․ BLOT 1본당 허용인장력 = 3.14 ㎠ x 1,890 kgf/㎠ = 5,934 kgf
∴ 작용력 = 1,684 kgf < 허용력 = 5,934 kgf ∴ O.K

◈ 볼트의 전단검토(BOLT - 6EA)
․ 방음판 및 H-POST 자중
․ 방음판(흡음형) : 0.03 tf/㎡ x 3.50m x 4.0m = 0.36 tonf
․ 지주(H-200x150x6x9) : 0.0306 tf/m x (3.50m + 1.050m) = 0.139 tonf
․ 기타하중(부속자재 등 지주중량의 20%) : 0.139 x 0.2 = 0.028 tonf ∴ΣV= 0.527 tonf
․ 볼트 1개에 작용하는 전단력 = 527kg/6EA = 87.83 kgf
․ BLOT 1본당 허용전단력 = 3.14 ㎠ x 600 kgf/㎠ = 1,884 kgf ∴ O.K
◈ 방음벽 지주(H-POST) 응력 검토
지주의 응력검토 ( A = 39.01㎠, Z= 277㎤)

◈ 용접검토 (용접 6mm이상)

◈ 기타 보강재 설치
- 기존 방호벽 내하력 증대 및 지주 설치용 강판(PLATE T=10mm)을 전후면에 압착하여 보강.
(에폭시 강판접착 및 볼트 체결, 지주와 강판의 필렛 용접
- 지주와 강판이 일체구조로 거동하도록 BEND PLATE(100*10*750)를 상하부 2개소에 용접하여 덧붙이기 할 것.
- 방호벽 상단부는 RIB PLATE(150*10*150)를 2개씩 용접하여 덧붙이기 할 것.
5. 검토결론
1) 고속국도 제1호선 경주-동대구간 제1공구를 시행함에 있어 기확장 교량인 매여천교(STEEL BOX GR.) 구간에 방음벽(상행선 H=3.0m, 하행선 H=4.5m)을 추가 설치할 경우에 대한 적정 시공방안을 검토한 결과는 다음과 같다.
| 구분 | 제 1 안 | 제 2 안 | 제 3 안 |
| 개요 | 기존 방호벽 철근만 유용, 방음벽 기초 신설 (브레이카, 콘크리트 파쇄) |
슬래브 단부 절단 및 방음벽 기초 신설 (절단 및 Water Jet 병행) |
기존 방호벽 전체 유용 방음벽 지주, 측면 매달기 |
| 기초 규격 |
H=1.08m, B=37.5cm | H=1.08m, B=42.0cm | TIE-BOLT 및 SET앵커 (강판압착, 에폭시 등) |
| 장․ 단점 |
․현행 횡단 폭원 유지 ․브라켓 동바리 불필요 ․공기 단축 ․미관 양호 ․공사비 고가 |
․방음벽 기초 근본적 개량 ․미관 양호 ․브라켓 동바리 필요 ․시공이 매우 복잡하고 번거 롭다 (슬래브 일부 재시공) ․공기가 길게 소요 ․공사비 고가 ․차량 추락 방지시설 필요 |
․기존방호벽 유용 극대화 ․공기 단축 ․공사비 저렴 ․미관이 매우 불량하다. ․기존방호벽 품질의 신뢰성은 다소 떨어짐(노후화 정도 확인요) ․시공시 철저한 품질관리 필요 |
2) 상기 비교안에 대하여 구조 검토한 결과 모두 가능한 것으로 판단되므로 경제성 및 시공성을 고려하여 합리적인 방안으로 채택하기 바람.
3) 적정 지주 규격
부산방향(방음벽 높이 4.5m) : H-200×150×6×9 , C.T.C 4.0m
서울방향(방음벽 높이 3.0m) : H-125×125×6.5×9 , C.T.C 4.0m
※ 붙임 : 기존방호벽 지주 설치방안 상세도 별첨


<본 검토서를 토대로 시공한 내원교 : 부산~언양 2공구>

<본 검토서를 토대로 시공한 매여천교 : 동대구~경주 1공구>
※ 본 콘텐츠는 "불꽃엔지니어"의 실제 기술자문 사례를 바탕으로 작성되었으며, 무단전재 및 재배포를 금합니다.
인용이나 공유가 필요하신 경우, 출처를 명확히 밝혀 주시면 감사하겠습니다. 고속도로 제1호선 경주~동대구 구간 내 매여천교에 방음벽을 설치할 때의 시공방안에 대해 구조검토를 수행하였고...
공식 예시:
\( M_u = 1.3 \cdot M_w + 1.3 \cdot M_c = 3.905 \, \text{t·m/m} \)
'2. 기술검토실' 카테고리의 다른 글
| 내진설계와 내진성능평가에 사용되는 지진하중의 차이 (0) | 2025.06.12 |
|---|---|
| [영남2] 고속도로 확장공사 성토부 가시설에 적정한 공법 검토 (5) | 2025.05.27 |
| [영남2] 암 절토구간에 위치하는 TIE CABLE 버팀벽의 소요 근입장 검토 (0) | 2025.05.26 |
| [검토관련 방침] 가설구조물 시공중 안전성 검토 비용 (0) | 2025.05.19 |
| [검토관련 방침] 붙임#1. 가설구조물의 안전성 검토 시행 근거 (0) | 2025.05.19 |